Permanent Split Capacitor Motor Speed Control

Permanent Split Capacitor Motor Its Advantages Applications Limitations Circuit Globe

Permanent Split Capacitor Motor Its Advantages Applications Limitations Circuit Globe

Permanent Split Capacitor Induction Motor Electricalvoice

Permanent Split Capacitor Induction Motor Electricalvoice

Permanent Split Capacitor Motor Shaded Pole Motor Motor Starting Methods Electric Equipment

Permanent Split Capacitor Motor Shaded Pole Motor Motor Starting Methods Electric Equipment

Permanent Split Capacitor Capacitor Run Ac Induction Motor Simple Circuit Diagram

Permanent Split Capacitor Capacitor Run Ac Induction Motor Simple Circuit Diagram

Permanent Split Capacitor Psc Motor Circuit Wiring Diagram And Torque Speed Curve Electrical Academia

Permanent Split Capacitor Psc Motor Circuit Wiring Diagram And Torque Speed Curve Electrical Academia

Permanent Split Capacitor Motors

Permanent Split Capacitor Motors

Permanent Split Capacitor Motors

It has only one capacitor connected in series with the starting winding.

Permanent split capacitor motor speed control.

The kbwc series provides infinitely variable speed motor control for shaded pole permanent split capacitor and universal ac dc motors. The full wave phase control circuitry minimizes power loss thereby reducing energy requirements. The permanent split capacitor motor will sometimes use an extra capacitor to aid in starting. A permanent split capacitor psc motor has a run type capacitor.

We can find the permanent motor in limited applications as with fans pumps heaters air conditioners blowers and other applications which don t require normal or high. Units help operate universal shaded pole and psc 1 phase ac motors used to run fans blowers pumps vibratory feeders and heating and lighting applications. 19 also known as a capacitor run motor this type of motor uses a non polarized capacitor with a high voltage rating to generate an electrical phase shift between the run and start windings. The controls provide infinitely variable speed adjustment which allows the end user to select the desired level of air volume.

Permanent split capacitor psc motor the permanent split capacitor motor also has a cage rotor and the two windings named as main and auxiliary windings similar to that of a capacitor start and capacitor start capacitor run motor. This capacitor is permanently connected in series with the start winding. A photograph of a permanent split capacitor motor is shown in figure 11 25. The capacitor c is permanently connected in the circuit both at the starting and the.

Adjustable ac speed controls from grainger can operate on 60 50 hz at plus or minus 10 rated line voltage. The permanent split motor also called capacitor motor uses the same value of capacitance for both starting and running operations. This article will discuss different techniques and drive topologies to control the speed of a psc motor in one and two directions. Because this capacitor remains connected in the circuit an ac electrolytic capacitor cannot be used to replace the run capacitor for this type of motor.

4 permanent split capacitor psc motor. Permanent split capacitor psc motors are the most popular type of single phase induction motors. A microcontroller is the brain of the system.

Permanent Split Capacitor Motor Hvac Troubleshooting

Permanent Split Capacitor Motor Hvac Troubleshooting

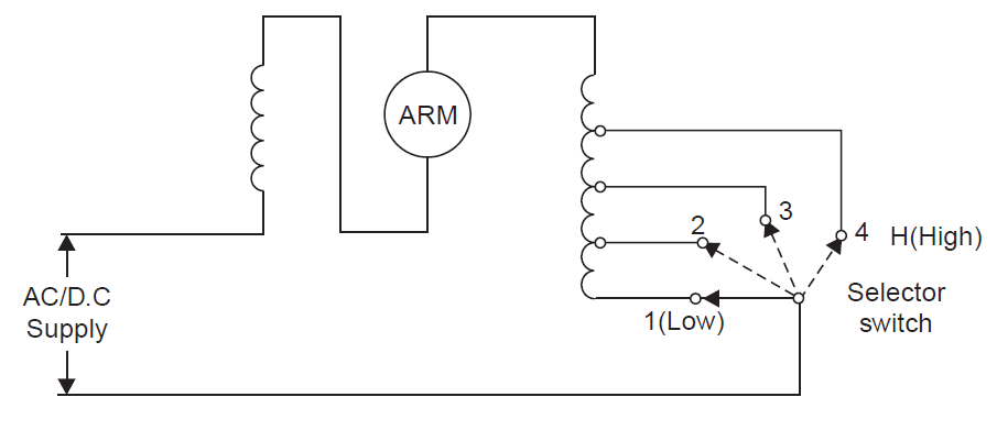
Permanent Split Capacitor Motor Connection Diagram For Multiple Speeds Permanent Split Capacitor Motor Wiring Diagram Multi Speed Connection Diagram Permanent Split Capacitor Motor With Multiple Speeds

Permanent Split Capacitor Motor Connection Diagram For Multiple Speeds Permanent Split Capacitor Motor Wiring Diagram Multi Speed Connection Diagram Permanent Split Capacitor Motor With Multiple Speeds

Motors Motor Power Consumption And Permanent Split Capacitor Motor Hvac Machinery

Motors Motor Power Consumption And Permanent Split Capacitor Motor Hvac Machinery

Efficiency Improvement Of Permanent Split Capacitor Motors In Hvac Applications Using A Two Phase Asymmetrical Inverter Semantic Scholar

Efficiency Improvement Of Permanent Split Capacitor Motors In Hvac Applications Using A Two Phase Asymmetrical Inverter Semantic Scholar

Can You Use A Vfd To Run A Capacitor Start Motor Electrical Engineering Stack Exchange

Can You Use A Vfd To Run A Capacitor Start Motor Electrical Engineering Stack Exchange

Aw 0144 Permanent Split Capacitor Capacitor Run Ac Induction Motor Download Diagram

Aw 0144 Permanent Split Capacitor Capacitor Run Ac Induction Motor Download Diagram

Application Notes And Circuits For Using The Z8 Encore Xp As A Low Cost Speed Controller For Single Phase Permanent Split Capacitor Motors

Application Notes And Circuits For Using The Z8 Encore Xp As A Low Cost Speed Controller For Single Phase Permanent Split Capacitor Motors

Speed Control Of Split Phase And Capacitor Motors

Speed Control Of Split Phase And Capacitor Motors

Speed Control Of Permanent Split Capacitor Motors Engineering Articles

Speed Control Of Permanent Split Capacitor Motors Engineering Articles

Schematics For 1 Split Phase Motors Series 3 Ecn Electrical Forums

Schematics For 1 Split Phase Motors Series 3 Ecn Electrical Forums

What Are The Advantages Of Capacitor Start And Capacitor Run Induction Motors Quora

What Are The Advantages Of Capacitor Start And Capacitor Run Induction Motors Quora

Varying Run Capacitor For Speed Control Of Single Phase Motor Electrical Engineering Stack Exchange

Varying Run Capacitor For Speed Control Of Single Phase Motor Electrical Engineering Stack Exchange

1 Phase Motor Drawings 1 Ecn Electrical Forums

1 Phase Motor Drawings 1 Ecn Electrical Forums

Home Fan Motor Operation And Wiring Diagram Prof Peterelia

Home Fan Motor Operation And Wiring Diagram Prof Peterelia

Speed Control For Shaded Pole And Psc Motors How They Work 039 Youtube

Speed Control For Shaded Pole And Psc Motors How They Work 039 Youtube

Air Conditioner Motors

Air Conditioner Motors

Capacitor Start Induction Motor Its Phasor Diagram Characteristic Applications Circuit Globe

Capacitor Start Induction Motor Its Phasor Diagram Characteristic Applications Circuit Globe

Types Of Single Phase Induction Motors Javatpoint

Types Of Single Phase Induction Motors Javatpoint

Https Encrypted Tbn0 Gstatic Com Images Q Tbn 3aand9gcqdq0toqhhwyvzgeyt4zt7ayx7tue Eja2xbockfdj8lubfqesk Usqp Cau

Https Encrypted Tbn0 Gstatic Com Images Q Tbn 3aand9gcqdq0toqhhwyvzgeyt4zt7ayx7tue Eja2xbockfdj8lubfqesk Usqp Cau

Comparing Shaded Pole Psc And Ec Motors

Comparing Shaded Pole Psc And Ec Motors

Ko 6944 Wiring Diagram On Permanent Split Capacitor Motor Wiring Diagram Download Diagram

Ko 6944 Wiring Diagram On Permanent Split Capacitor Motor Wiring Diagram Download Diagram

K B Electronics Kbwc 115k Ac Motor Speed Fan Control 115vac 15a Eis

K B Electronics Kbwc 115k Ac Motor Speed Fan Control 115vac 15a Eis

Pdf Simulation Analysis On Permanent Split Capacitor Psc Motor Based On The Matlab Simulink

Pdf Simulation Analysis On Permanent Split Capacitor Psc Motor Based On The Matlab Simulink

Motors Motor Starters Ppt Video Online Download

Motors Motor Starters Ppt Video Online Download

Source : pinterest.com